Home › Unlabelled ›
Suzuki 2002 Tracker Fuse Box : Cg 6798 Of A C Pressor Relay Fuse On Chevrolet Tracker 2002 Fuse Box Diagram Download Diagram : Where are all relays on this car sidekick tracker diagram 04 suzuki forenza fuse box diagram full version hd 2007 suzuki fuse box wiring diagram t3.
Suzuki 2002 Tracker Fuse Box : Cg 6798 Of A C Pressor Relay Fuse On Chevrolet Tracker 2002 Fuse Box Diagram Download Diagram : Where are all relays on this car sidekick tracker diagram 04 suzuki forenza fuse box diagram full version hd 2007 suzuki fuse box wiring diagram t3.. Get the job done with the right genuine oem dash parts for geo tracker at the lowest prices. It caused me to lose power while driving. Suzuki sidekick suv 1996 front fuse box/block circuit breaker diagram suzuki geo tracker 1996 fuse box/block circuit breaker diagram suzuki. Shop by placement on vehicle for front, center, left & more to find exactly what you need. 2002 suzuki grand vitara fuse box diagram
Fuse box is behind headlight but see no obvious damage or loos wires. I believe that the suzuki made vehicles did not have that fuse but that could easily be wrong. Where are all relays on this car sidekick tracker diagram 04 suzuki forenza fuse box diagram full version hd 2007 suzuki fuse box wiring diagram t3. The fuse box is located under the driver's side of the dashboard. Rockauto ships auto parts and body parts from over 300 manufacturers to customers' doors worldwide, all at warehouse prices.
Suzuki Khyber Fuse Box Wiring Diagram Site Engine A Site Engine A Ristruttura4 0 It from www.zukioffroad.com Where are all relays on this car sidekick tracker diagram 04 suzuki forenza fuse box diagram full version hd 2007 suzuki fuse box wiring diagram t3. Where is the fuse box. Fuse box diagrams (location and assignment of the electrical fuses and relays) suzuki / maruti suzuki. Asked by jojo jun 04, 2014 at 06:08 am about the 2007 suzuki liana. I believe that the suzuki made vehicles did not have that fuse but that could easily be wrong. With a simple, secure transaction. 2002 suzuki grand vitara fuse box diagram I have a 96 suzuki sidekick that keeps blowing the ignition coil meter fuse in the fuse box inside the vehicle.
I'll check out the fuse box tonight.
I'll check out the fuse box tonight. How to find your suzuki workshop or owners manual. Check the fuse box diagram found on the cover of the fuse box under that dash. Hit a turkey, it broke the right front headlight lens only, but ever since i keep blowing fuses to the radio and a/c. If you can find an owner's manual in the glove box, it will also tell you. (4 door) electrical components such as lights, heated seats and radios all have fuses in your 2002 chevrolet tracker 2.0l 4 cyl. / where is the fuse box. Fuse box diagrams (location and assignment of the electrical fuses and relays) suzuki / maruti suzuki. The fuse box is located under the driver's side of the dashboard. To access the fuse, remove the seat by referring to the seat lock and helmet holders. 2002 chevy / chevrolet tracker owners manual ; Buy high quality used 2002 chevrolet tracker fuse box cheap and fast. With a simple, secure transaction.
I believe that the suzuki made vehicles did not have that fuse but that could easily be wrong. 2002 chevrolet tracker service and repair manual; Can a 96 geo tracker 1.6 engine fit in a 89 suzuki. With a simple, secure transaction. That is where it is on my 01 grand vitara.
1995 Geo Tracker Fuse Box Diagram Wiring Diagram Beg Activity B Beg Activity B Miceincampania It from www.fixkick.com Stator and rectifyer went on ny 2002 suzuki 1500 intruder. I have a 96 suzuki sidekick that keeps blowing the ignition coil meter fuse in the fuse box inside the vehicle. That is where it is on my 01 grand vitara. 2002 suzuki xl7 fuse box diagram wiring diagram used suzuki baleno ga gb 1 6 16v fuse box binckhorst bv The video above shows how to replace blown fuses in the interior fuse box of your 2001 suzuki ignis in addition to the fuse panel diagram location. Can a 96 geo tracker 1.6 engine fit in a 89 suzuki. Check if you see lighter, radio find the fuse and use the fuse puller to pull out the fuse. Asked by jojo jun 04, 2014 at 06:08 am about the 2007 suzuki liana.
Fuse box diagrams (location and assignment of the electrical fuses and relays) suzuki / maruti suzuki.
2002 instrument panel fuse block this fuse box is under the left side of the instrument panel. View online or download suzuki grand vitara 2002 service manual I am reading that this is a huge problem for this model. 2002 suzuki xl7 fuse box diagram wiring diagram used suzuki baleno ga gb 1 6 16v fuse box binckhorst bv Fuse box diagrams (location and assignment of the electrical fuses and relays) suzuki / maruti suzuki. I believe that the suzuki made vehicles did not have that fuse but that could easily be wrong. The fuses are located inside the left fairing. 2002 suzuki grand vitara fuse box diagram. 2002 chevrolet tracker service & repair manual software; Get the job done with the right genuine oem dash parts for geo tracker at the lowest prices. That is where it is on my 01 grand vitara. (4 door) electrical components such as lights, heated seats and radios all have fuses in your 2002 chevrolet tracker 2.0l 4 cyl. I have a 96 suzuki sidekick that keeps blowing the ignition coil meter fuse in the fuse box inside the vehicle.
Check if you see lighter, radio find the fuse and use the fuse puller to pull out the fuse. Stator and rectifyer went on ny 2002 suzuki 1500 intruder. Where are the fuses try looking for a fuse box on the inside wall just to the left of your left knee when you sit in the driver's seat. Suzuki sidekick suv 1996 front fuse box/block circuit breaker diagram suzuki geo tracker 1996 fuse box/block circuit breaker diagram suzuki. 2002 chevrolet tracker service & repair manual software;
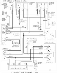
2003 Chevy Tracker Fuse Box Diagram Wiring Diagram Save Slow New Slow New Citisceramiche It from fuse-box.info That is where it is on my 01 grand vitara. Get the job done with the right genuine oem dash parts for geo tracker at the lowest prices. Hit a turkey, it broke the right front headlight lens only, but ever since i keep blowing fuses to the radio and a/c. Suzuki grand vitara 2002 pdf user manuals. Fuse keeps blowing.engine stops running what.controls. Start a new suzuki liana question. 2002 instrument panel fuse block this fuse box is under the left side of the instrument panel. Fuse box diagram (location and assignment of electrical fuses and relays) for chevrolet (chevy) tracker (1999, 2000, 2001, 2002, 2003, 2004).
If you can find an owner's manual in the glove box, it will also tell you.
Electrical components such as your map light, radio, heated seats, high beams, power windows all have fuses and if they suddenly stop working, chances are you have a fuse that has blown out. I hava a suzuki 2002 vitara. This is in need of a recall. Fuse box diagrams (location and assignment of the electrical fuses and relays) suzuki / maruti suzuki. Shop by placement on vehicle for front, center, left & more to find exactly what you need. / where is the fuse box. One 1 oa and one 15a spare fuses are provided inside the fuse box. Fuse keeps blowing.engine stops running what.controls. Stator and rectifyer went on ny 2002 suzuki 1500 intruder. To remove a fuse, use the fuse puller provided in the fuse box. 2002 chevrolet tracker service and repair manual; See more on our website: The main fuse is located under the front seat.