Home › Unlabelled ›
Prepaid Energy Meter Circuit Diagram : Hardware Of Digital Prepaid Energy Meter Download Scientific Diagram : Electronic meters need for prepaid energy meter system:
Prepaid Energy Meter Circuit Diagram : Hardware Of Digital Prepaid Energy Meter Download Scientific Diagram : Electronic meters need for prepaid energy meter system:. Prepaid energy meter with gsm modem using pic microcontroller: (ijacsa) international journal of advanced computer science and applications, vol. Help customer contribute towards energy conservation. In this project we are building a automated system by using arduino and gsm module.you can recharge the electricity balance through this system, just by sending a sms. The meter is less expensive and accurate.
Main aim of this project is to design a automated energy meter in which gsm modem is used for micro controller. Pre paid energy meter using gsm circuit diagram is provided here along with related links for downloading project report, abstract and ppt. Design of voltage sensor developed the protoype of single phase prepaid kwh meter based on cs5464 cirrus logic ic. Allow customer to budget expenses. Previously we have built a energy meter circuit which sends you sms about the bill using gsm module.
Document Of Prepaid Energy Meter Using Gsm from image.slidesharecdn.com House with a cottage isolator switches should be installed after the council or municiple meter. The energy is the total power consumed and utilised by the load at a particular interval of time.it is used in domestic and industrial ac circuit for measuring the power consumption. 5, 2018 448 | p a g e www.ijacsa.thesai.org fig. Pre paid energy meter using gsm circuit diagram is provided here along with related links for downloading project report, abstract and ppt. Help customer contribute towards energy conservation. Circuit diagram buz+v r1 = 1.5k p3.5 0v q2 1384 zer d2 +5v 0v music ic the music ic goes about 8 stages of musical notes. Basically, this is the concept of electronic energy meter for records the consumer billing, the minimization of energy theft and reducing the energy losses as compared to the conventional. Block diagram of digital energy meter with cost indicator 17.
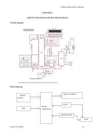
The circuit diagram of prepaid energy meter contains two parts (a) energy meter circuit (fig.
Includes single phase, 2 phase supply, 3 phase supply, multiple installations, distributed generation/alternative energy and typical equipment dimensions. These modules are digital prepaid energy meter based on two microcontrollers integrated as a system block diagram as shown in fig. This is how easy it is to install a prepaid electricity meter. The meter is less expensive and accurate. The energy is the total power consumed and utilised by the load at a particular interval of time.it is used in domestic and industrial ac circuit for measuring the power consumption. In different countries ryb, abc (old standard) or uvw (newer standard) and maybe others (as electrical wiring color codes) are used and are equivalent. 5, 2018 448 | p a g e www.ijacsa.thesai.org fig. The interfacing of prepaid energy meter with gsm (global system for mobile) modem is very credible for both consumer and energy supply company. In this project we are building a automated system by using arduino and gsm module.you can recharge the electricity balance through this system, just by sending a sms. Help customer contribute towards energy conservation. Pre paid energy meter using gsm circuit diagram is provided here along with related links for downloading project report, abstract and ppt. Utilities are one of the electrical departments, which install these instruments at every place like homes, industries, organizations, commercial buildings to charge for the electricity consumption by loads such as lights, fans, refrigerator, and other home appliances. Allow customer to budget expenses.
Attention of the meter user to insert prepaid card into the meter. Main aim of this project is to design a automated energy meter in which gsm modem is used for micro controller. Circuit diagram buz+v r1 = 1.5k p3.5 0v q2 1384 zer d2 +5v 0v music ic the music ic goes about 8 stages of musical notes. It can be integrated to work with all other shelly devices. Shelly em can automatically turn off the whole circuit if consumption or energy (prepaid energy option) reaches the set limit.
Prepaid Energy Meter Using Smart Card from image.slidesharecdn.com Flow diagram of processes involved in prepaid energy meter scheme fig. Once the memory card is plugged in the prepaid energy meter, the arduino mega controlling meter circuit reads the recharge amount from eeprom and resumes the power supply by switching the relay. Future enhancement in future this circuit can also be used as a prepaid energy meter using a smart type arrangement. Due to this every customer has a smart card with some credits and after. Main aim of this project is to design a automated energy meter in which gsm modem is used for micro controller. Prepaid electricity energy meter is a good concept in which you can recharge its balance, like we do in our mobile phones. This is how easy it is to install a prepaid electricity meter. Controlling of electricity theft using smart prepaid energy meter.
The energy is the total power consumed and utilised by the load at a particular interval of time.it is used in domestic and industrial ac circuit for measuring the power consumption.
Design of voltage sensor developed the protoype of single phase prepaid kwh meter based on cs5464 cirrus logic ic. The consumer needs to plug out the memory card and carry it to plug in the prepaid energy meter. The following is the electrical interface circuit for the meter. Click image for large view. Iii) (b) ldr circuit (fig. Arsukh arsukh, mar 2, 2009 #361. This example shows the most common used arrangement in the world, but there are variations as well in some areas. This is how easy it is to install a prepaid electricity meter. Pre paid energy meter using gsm circuit diagram is provided here along with related links for downloading project report, abstract and ppt. Benefits to consumers pay as you go. Shelly em can automatically turn off the whole circuit if consumption or energy (prepaid energy option) reaches the set limit. Main aim of this project is to design a automated energy meter in which gsm modem is used for micro controller. The setting may be different in other type of kwh or energy meter in different locations around the world.
For we want to add a smart card reader and relay in extra. Arsukh arsukh, mar 2, 2009 #361. Help customer contribute towards energy conservation. Basically, this is the concept of electronic energy meter for records the consumer billing, the minimization of energy theft and reducing the energy losses as compared to the conventional. House with a cottage isolator switches should be installed after the council or municiple meter.
Iot Based Energy Meter Reading Using Arduino Ppt Code Abstract Block Diagram from innovatorsguru.com Prepaid energy meter (at89s52) a scheme of electricity billing system called prepaid energy meter with tariff indicator can facilitate in improved cash flow management in energy utilities and can reduces problem associated with billing consumer living in isolated area and reduces deployment of manpower for taking meter readings. This is how easy it is to install a prepaid electricity meter. Electronic meters need for prepaid energy meter system: Shelly em can automatically turn off the whole circuit if consumption or energy (prepaid energy option) reaches the set limit. 5, 2018 448 | p a g e www.ijacsa.thesai.org fig. The consumer needs to plug out the memory card and carry it to plug in the prepaid energy meter. It can be integrated to work with all other shelly devices. The setting may be different in other type of kwh or energy meter in different locations around the world.
Main aim of this project is to design a automated energy meter in which gsm modem is used for micro controller.
Includes single phase, 2 phase supply, 3 phase supply, multiple installations, distributed generation/alternative energy and typical equipment dimensions. Prepaid energy meter (at89s52) a scheme of electricity billing system called prepaid energy meter with tariff indicator can facilitate in improved cash flow management in energy utilities and can reduces problem associated with billing consumer living in isolated area and reduces deployment of manpower for taking meter readings. This example shows the most common used arrangement in the world, but there are variations as well in some areas. Controlling of electricity theft using smart prepaid energy meter. In this project we are building a automated system by using arduino and gsm module.you can recharge the electricity balance through this system, just by sending a sms. The meter which is used for measuring the energy utilises by the electric load is known as the energy meter. Previously we have built a energy meter circuit which sends you sms about the bill using gsm module. Electronic meters need for prepaid energy meter system: These modules are digital prepaid energy meter based on two microcontrollers integrated as a system block diagram as shown in fig. In different countries ryb, abc (old standard) or uvw (newer standard) and maybe others (as electrical wiring color codes) are used and are equivalent. The circuit diagram of prepaid energy meter contains two parts (a) energy meter circuit (fig. The following is the electrical interface circuit for the meter. Our integrated circuits and reference designs help you create smarter electricity meters with advanced security and connectivity features to meet system design requirements.