Home › Unlabelled ›
Cat Five Wiring Diagram - 600 Volt Transformer Wiring Diagram Cat Five Wiring Diagram Bege Wiring Diagram : Although wireless is simpler for a lot of people, due to multimedia sharing, bandwidth on a home network, and paranoia about wireless security, you may want to use a.
Cat Five Wiring Diagram - 600 Volt Transformer Wiring Diagram Cat Five Wiring Diagram Bege Wiring Diagram : Although wireless is simpler for a lot of people, due to multimedia sharing, bandwidth on a home network, and paranoia about wireless security, you may want to use a.. Caterpillar 246c shematics electrical wiring diagram.pdf. How to wire your house with cat5e or cat6 ethernet cable. Cat5e wiring should follow the standard color code. When you purchase a program cat et (caterpillar et) 2017a once you get detailed and clear instructions on how to activate it. Cat wallpaper::black cat wallpaper|cat wallpaper.
Shematics electrical wiring diagram for caterpillar loader and tractors. Also am after the crank angle sensor information (magnetic reluctor or hall effect) and also teeth pattern. This document was written in efforts to provide basic background information regarding the 568a and 568b wiring standards. Am after a ecu wiring diagram for a 2007 model cat c15 550hp engine. Look for cat 5 cat 6 wiring diagram with color code cable how to wire ethernet rj45 and the defference between each type of cabling crossover straight through.
Diagram Briggs And Stratton Ignition Wiring Diagram Full Version Hd Quality Wiring Diagram Diagramusapq Aricadore It from schematron.org How to crimp your own custom ethernet cables of any length. A cat5e cable has improvements in its twist ratio when compared to a cat5. Straight through lan cables are the most common and the pinout is the same if they are cat5e, cat6 or cat 7. The different types of cables (category or cat) offer increasingly faster transmit and receive speeds, this is achieved by increasing. When you purchase a program cat et (caterpillar et) 2017a once you get detailed and clear instructions on how to activate it. Cat5e wiring diagram and methods. If you wish to perform any required small engine maintenance or repairs. Also am after the crank angle sensor information (magnetic reluctor or hall effect) and also teeth pattern.
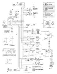
Cat c15 ecm wiring diagram.
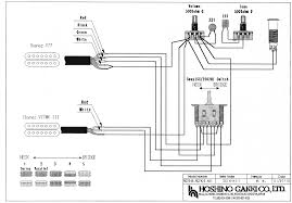
Look for cat 5 cat 6 wiring diagram with color code cable how to wire ethernet rj45 and the defference between each type of cabling crossover straight through. Cat wallpaper::black cat wallpaper|cat wallpaper. Cat 5 color code wiring diagram | house electrical wiring diagram. We are looking for the wiring diagrams for a 2016 cat 329f in either a download or book form. Rj45 wiring diagram ethernet cable | house electrical this article shows how to wire an ethernet jack rj45 wiring diagram for a home network it was introduced commercially in 1989 and became ieee standard 802.3 in 1983. In addition to wiring diagrams, these guides also provide information on alternator identification and procedures for an engine replacement with a new briggs & stratton engine that utilizes a different style alternator (output connector). Straight through lan cables are the most common and the pinout is the same if they are cat5e, cat6 or cat 7. In addition, we will provide the steps on how to create standard and crossover. The different types of cables (category or cat) offer increasingly faster transmit and receive speeds, this is achieved by increasing. A wide variety of cat5 wiring diagram options are available to you It shows the parts of the circuit as streamlined shapes as well as the power and also signal links between the devices. Cj5 wiring schematic cirrus wiring harness class diagram example python clark forklift wiring schematic civic fuse diagram citroen c4 fuse diagram cl350 carb diagram co2 laser energy level diagram. Following table shows wire colors related to electrical circuits.
• please connect all the cables between the computer and the cat5•9000hds before power up the cat5•9000hds unit. This enhanced cable is used for a variety of installations. Am after a ecu wiring diagram for a 2007 model cat c15 550hp engine. Cj5 wiring schematic cirrus wiring harness class diagram example python clark forklift wiring schematic civic fuse diagram citroen c4 fuse diagram cl350 carb diagram co2 laser energy level diagram. It shows the components of the circuit as streamlined forms, and also the power.
Cat6 Wiring Diagram Basic Led Wiring Diagram Begeboy Wiring Diagram Source from tonetastic.info What is electrical wiring diagram: Cat 3126 ewd wiring diagrams.pdf. Asking for assistance technical support: Look for cat 5 cat 6 wiring diagram with color code cable how to wire ethernet rj45 and the defference between each type of cabling crossover straight through. Cat5e wiring should follow the standard color code. Cat5e wiring diagram and methods. In addition to wiring diagrams, these guides also provide information on alternator identification and procedures for an engine replacement with a new briggs & stratton engine that utilizes a different style alternator (output connector). A cat5e cable has improvements in its twist ratio when compared to a cat5.
In this article i will explain cat 5 color code order , cat5 wiring diagram and step by step how to crimp cat5 ethernet cable standreds a , b crossover or straight throght in order to use utp(unshielded twisted pair) cables you these standards will help you understanding any cat 5 wiring diagram.
Each pair of copper wires in the cat5e has insulation with a specific color for easier identification. Caterpillar 246c shematics electrical wiring diagram.pdf. How to wire your house with cat5e or cat6 ethernet cable. In addition to wiring diagrams, these guides also provide information on alternator identification and procedures for an engine replacement with a new briggs & stratton engine that utilizes a different style alternator (output connector). If you wish to perform any required small engine maintenance or repairs. Cj5 wiring schematic cirrus wiring harness class diagram example python clark forklift wiring schematic civic fuse diagram citroen c4 fuse diagram cl350 carb diagram co2 laser energy level diagram. Cat 5 color code wiring diagram | house electrical wiring diagram. A cat5e wiring diagram will show how category 5e cable is usually comprised of eight wires, which have been twisted into four pairs. Cat wallpaper::black cat wallpaper|cat wallpaper. Cat5e wiring diagram and methods. Straight through lan cables are the most common and the pinout is the same if they are cat5e, cat6 or cat 7. Caterpillar shematics electrical wiring diagram pdf free download. When you purchase a program cat et (caterpillar et) 2017a once you get detailed and clear instructions on how to activate it.
Cat 5 color code wiring diagram | house electrical wiring diagram. We are looking for the wiring diagrams for a 2016 cat 329f in either a download or book form. Cj5 wiring schematic cirrus wiring harness class diagram example python clark forklift wiring schematic civic fuse diagram citroen c4 fuse diagram cl350 carb diagram co2 laser energy level diagram. Am after a ecu wiring diagram for a 2007 model cat c15 550hp engine. C15 cat engine wiring schematics gif, eng, 40 kb.
Overview Of Cat5 Cat5e Cat6 Cat7 Cat8 Rj 45 Network Cable Wiring Type Pinout from www.meridianoutpost.com Cat wallpaper::black cat wallpaper|cat wallpaper. Does anyone have a link to one? Related searches for cat 5 wiring diagram ethernet jack cat 5 ethernet. Cat5e wiring should follow the standard color code. If you wish to perform any required small engine maintenance or repairs. This enhanced cable is used for a variety of installations. A cat5e wiring diagram will show how category 5e cable is usually comprised of eight wires, which have been twisted into four pairs. Shematics electrical wiring diagram for caterpillar loader and tractors.
It shows the components of the circuit as streamlined forms, and also the power.
If you wish to perform any required small engine maintenance or repairs. Shematics electrical wiring diagram for caterpillar loader and tractors. Related searches for cat 5 wiring diagram ethernet jack cat 5 ethernet. A wide variety of cat5 wiring diagram options are available to you Pinout diagrams and wire colours for cat 5e, cat 6 and cat 7. A cat5e wiring diagram will show how category 5e cable is usually comprised of eight wires, which have been twisted into four pairs. Cj5 wiring schematic cirrus wiring harness class diagram example python clark forklift wiring schematic civic fuse diagram citroen c4 fuse diagram cl350 carb diagram co2 laser energy level diagram. This article show ethernet crossover cable color code and wiring diagram ethernet cable rj45 cat 5 cat 6 to connect two or more compu. Although wireless is simpler for a lot of people, due to multimedia sharing, bandwidth on a home network, and paranoia about wireless security, you may want to use a. Does anyone have a link to one? Following table shows wire colors related to electrical circuits. Asking for assistance technical support: • please connect all the cables between the computer and the cat5•9000hds before power up the cat5•9000hds unit.